Rumbula

7900
8700 €

Cena (ar PVN): 7900
8700 €

ATLAIDE
ATLAIDE
ATLAIDE
ATLAIDE
ATLAIDE
ATLAIDE
ATLAIDE

Apraksts

caret-down
  • Iespējama pārplānošana pēc Jūsu vēlmēm;
  • Izgatavojam individuālus projektus bez papildus samaksas;
  • Par papildus samaksu iespējamas biezākas sienas ( 34mm, 44mm, 68mm u.c.).

Komplektācijā iekļauts

caret-down
  • Garāžas karkass izgatavots no līmbrusu konstrukcijām (par 70% izturīgāka nekā masīvkoka konstrukcija):
  • Balsti 135x135mm;
  • Atsijas 90x135mm;
  • Sijas 135x135mm;
  • Jumta spāres 58x220mm;
  • Jumta dēļi 19x100mm;
  • Vēja dēļi 19x100mm;
  • Sienu dēļi 28x130mm
  • Līmēta koka vārti un durvis ar pilnu furnitūras komplektu;
  • Montāžas instrukcija.
  • Nav iekļauts jumta seguma materiāls, grīda, terase.
     

Tehniskā informācija

caret-down
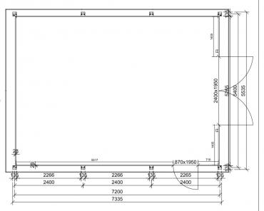
Sienu biezums (mm):
135mm līmbrusu karkass
Iekšējā platība (m²):
37
Jumta forma:
Vienslīpes
Telpu skaits:
Viena
Iekšējais izmērs (m):
7.103 x 5.210
Ārējais izmērs (m):
5.535 x 7.335
Apbūves platība (m²):
40.60
Jumta platība (m²):
43.50
Zemākās sienas augstums (m):
2.108
Kores augstums (m):
2.335
Ārdurvju izmērs (m):
Durvis 0.87 x 1.95; Vārti 2.40 x 1.95
Iebraukšanas platums (m):
2.40
Iebraukšanas augstums (m)
1.95

Papildus faili

caret-down


Papildus komplektācija
caret-down

Par papildus samaksu piedāvājam:

  • Skrūvpāļu pamatu izbūvi;
  • Garāžas montāžu;
  • Jumta seguma uzklāšanu;
  • Koka beicēšanu, tonēšanu;
  • Grīdas konstrukcijas izbūvi;
  • Terases izbūvi;
  • Citus darbus pēc vienošanās.
Papildus iespējas
Montāža, piegāde
Par papildus samaksu nodrošinām mūsu produkcijas piegādi, montāžu, kā arī citu papildus darbu veikšanu saskaņā ar vienošanos (pamati, komunikāciju tīkli, siltināšana, krāsošana u.c.)
Individuāli projekti
Bez sarežģījumiem izgatavojam arī individuālu projektu mājas saskaņā ar Jūsu skicēm, rasējumiem, idejām!
Saskaņošana būvvaldē
Par nelielu papildus samaksu nodrošinām mūsu māju projektu vienkāršoto saskaņošanu būvvaldēs 1.grupas ēkām, kā arī veicam pilna cikla projektēšanas darbus 2.grupas ēkām
Saņemt informāciju
Nosūtot šo ziņu, jums tiks sagatavots piedāvājums par produktu: Rumbula

Iesakām Jums :

Rumbula

7900
8700 €